



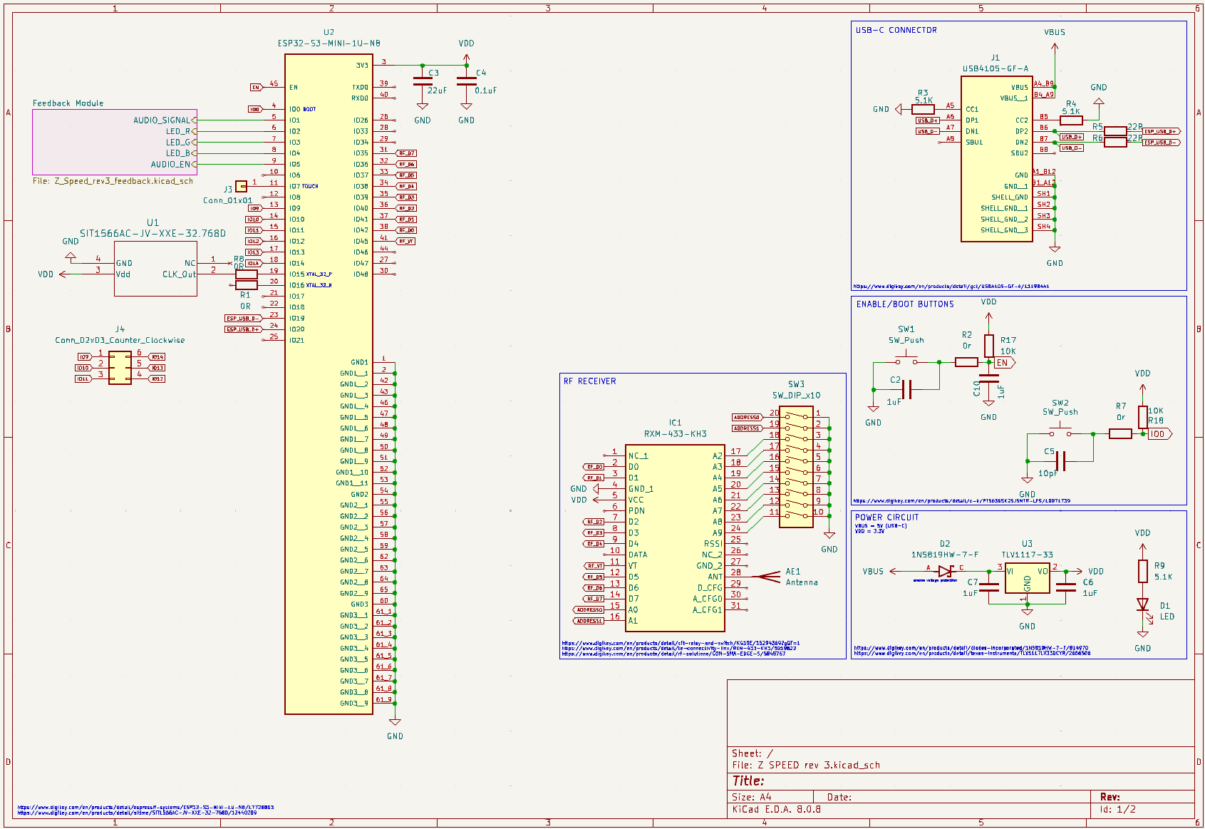
revision 3 of my timing system. This revision takes a significant step away from development boards, giving me the opportunity to add my own low-drift clock. This is a mixed signal, 4-layer board designed by myself.

Category:




revision 3 of my timing system. This revision takes a significant step away from development boards, giving me the opportunity to add my own low-drift clock. This is a mixed signal, 4-layer board designed by myself.
more stuff